Beccuccio 90° da parete
Utilizzo di barra ottone forata conforme alla norma EN 12168 e barra ottone piena conforme alla norma EN 12164, materiale stampato ricavato da barra piena EN 12165, tubo rame conforme alla norma EN12449.
La rubinetteria per gas combustibili è dotata di vitone ceramico con scatto di sicurezza. Portagomma fisso secondo la norma DIN 12898.
Maniglie prodotte in polipropilene, materiale antiacido.
Colorazione delle maniglie secondo la norma EN 13792.
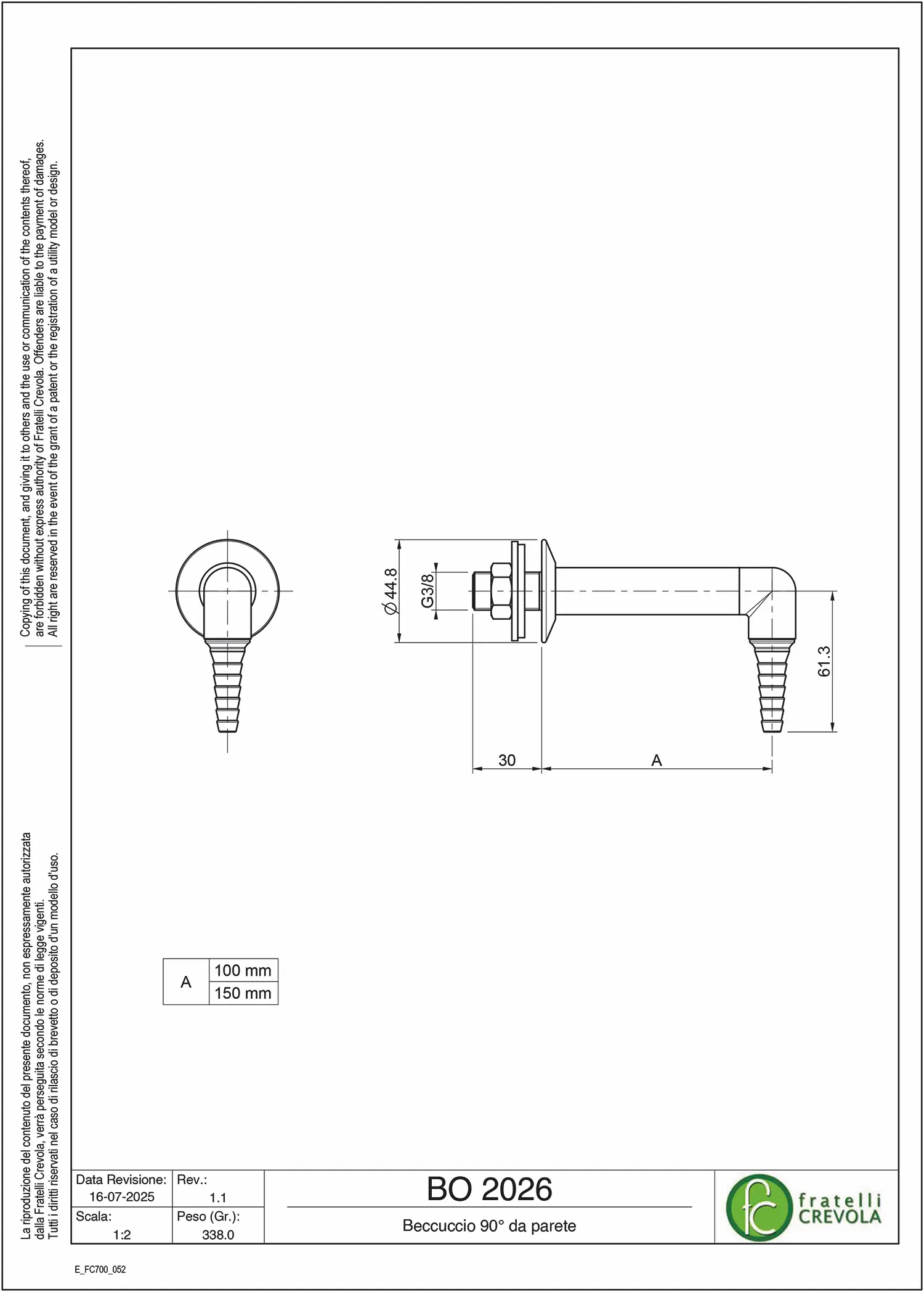
Filettature secondo la norma ISO 228/1, classe di tolleranza B.
Rubinetteria costruita e omologata secondo la norma DIN 12918.
Rivestimento esterno con verniciatura a polvere epossidica.
La rubinetteria per gas combustibili viene provata ad una pressione media di 0,2 bar.